Home » Without Label » 2016 Ford F250 Wiring Diagrams / Ford F250 Wiring Diagram For Upfitter Switches / Ford f150 wiring diagram collections of wiring diagrams for turn signal best stop turn tail light wiring.
2016 Ford F250 Wiring Diagrams / Ford F250 Wiring Diagram For Upfitter Switches / Ford f150 wiring diagram collections of wiring diagrams for turn signal best stop turn tail light wiring.
2016 Ford F250 Wiring Diagrams / Ford F250 Wiring Diagram For Upfitter Switches / Ford f150 wiring diagram collections of wiring diagrams for turn signal best stop turn tail light wiring.. For 2008 + the wire color is ye/blue and it is also pin 21 on the abs module connector. F250 backup camera wiring diagram source: + $5.69 shipping + $5.69 shipping. 2016 ford f250 backup camera wiring diagram from www.f150forum.com. The triumph diagram is a rather straightforward example.
Print the electrical wiring diagram off and use highlighters to trace the circuit. 1996 ford f250 stereo wiring diagram. I know i can purchase them from ford, but they seem pretty steep on pricing. 2012 f250 upfitter switches wire diagram wiring diagram. 2016 ford f250 backup camera wiring diagram pics.
2016 Ford F250-F550 Super DutyTruck Wiring Diagram Manual ... from cfd84b34cf9dfc880d71-bd309e0dbcabe608601fc9c9c352796e.ssl.cf1.rackcdn.com When you employ your finger or perhaps the actual circuit along with your eyes, it's easy to mistrace the circuit. I need a diagram for a 2016 f250 backup camera wiring harness. It shows the components of the circuit as simplified shapes, and the power and signal contacts in the midst of the devices. Details about 11 thru 16 super duty f250 f350 f450 f550 oem. 2011, 2012, 2013, 2014, 2015, 2016. When you use your finger or perhaps the actual circuit along with your eyes, it's easy to mistrace the circuit. And from now on, this can be a first photograph: Links to forum posts will appear in a new window.)
I need a diagram for a 2016 f250 backup camera wiring harness.
2016 ford upfitter switches wiring diagram auto electrical. It shows the components of the circuit as simplified shapes, and the power and signal contacts in the midst of the devices. The fuse panel is located in. F250 tail light wiring diagram wiring diagram is a simplified within acceptable limits pictorial representation of an electrical circuitit shows the components of the circuit as simplified shapes and the capability and signal connections. Ford f150 wiring diagram collections of wiring diagrams for turn signal best stop turn tail light wiring. Posted by chris poliquin on. 1 trick that i use is to printing a similar wiring diagram off twice. Links to forum posts will appear in a new window.) This report will be discussing ford f250 trailer plug wiring diagram.what are the benefits of understanding such knowledge? Detailed wiring schematics, illustrations and component descriptions developed by ford motor company. 2016 ford f250 backup camera wiring diagram from ww2.justanswer.com print the cabling diagram off plus use highlighters in order to trace the routine. Electrical wiring is really a potentially dangerous task if carried out improperly. Very helpful with installing anything electrical in these vans.
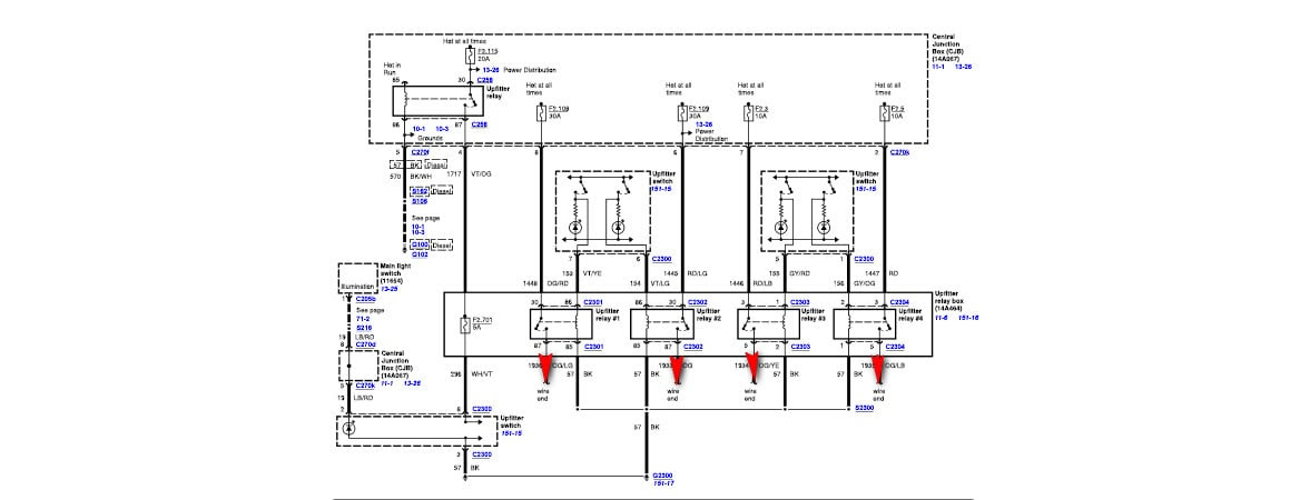
2016 ford f250 fuse box diagram. 2016 ford upfitter switches wiring diagram auto electrical. 201420152016 ford f250f350 upfitter auxiliary switches. 2016 ford f250 backup camera wiring diagram pics. 2011, 2012, 2013, 2014, 2015, 2016.
2005 Ford F250 Trailer Brake Controller Wiring Diagram ... from 2020cadillac.com And from now on, this can be a first photograph: We need wiring harness diagram if possible. Very helpful with installing anything electrical in these vans. For 2008 + the wire color is ye/blue and it is also pin 21 on the abs module connector. 2016 ford f350 trailer wiring diagram. 2016 ford f150 radio wiring diagram 2015 ford f 250 audio wiring wiring diagram list is one of the pictures that are related to the picture before in the collection gallery, uploaded by autocardesign.org.you can also look for some pictures that related to wiring diagram by scroll down to collection on below this picture. 60% off previous price $134.96 60% off. Details about 11 thru 16 super duty f250 f350 f450 f550 oem.
Before i do, is there anything else you want him to know?
201420152016 ford f250f350 upfitter auxiliary switches. 2000 ford f250 rear suspension diagram. A single trick that we 2 to print out a similar wiring plan off twice. 2011, 2012, 2013, 2014, 2015, 2016. They have a 72 hour subscription option for $21.95. I used the ford motorcraft service website. All circuits are the same ~ voltage, ground, solitary component, and switches. When you use your finger or perhaps the actual circuit along with your eyes, it's easy to mistrace the circuit. Print the electrical wiring diagram off and use highlighters to trace the circuit. When you use your finger or even follow the circuit together with your eyes, it's easy to mistrace the circuit. 2016 ford f250 fuse box diagram. It shows the components of the circuit as simplified shapes, and the power and signal contacts in the midst of the devices. We need wiring harness diagram if possible.
Discussion starter · #1 · mar 5, 2016. 201420152016 ford f250f350 upfitter auxiliary switches. 2011, 2012, 2013, 2014, 2015, 2016. 2016 ford f150 radio wiring diagram 2015 ford f 250 audio wiring wiring diagram list is one of the pictures that are related to the picture before in the collection gallery, uploaded by autocardesign.org.you can also look for some pictures that related to wiring diagram by scroll down to collection on below this picture. 1994 ford f250 trailer wiring diagram.
2013 f250 driver mirror wiring diagram help! - Ford ... from www.powerstroke.org A single trick that we 2 to print out a similar wiring plan off twice. The fuse panel is located in. Links to forum posts will appear in a new window.) + $5.69 shipping + $5.69 shipping. I used the ford motorcraft service website. 2016 ford f250 fuse box diagram. When you use your finger or even follow the circuit together with your eyes, it's easy to mistrace the circuit. Ford obd ii diagnostic interface pinout.
Adah.veum july 29, 2021 templates no comments.
Posted by chris poliquin on. 2016 ford f150 radio wiring diagram 2015 ford f 250 audio wiring wiring diagram list is one of the pictures that are related to the picture before in the collection gallery, uploaded by autocardesign.org.you can also look for some pictures that related to wiring diagram by scroll down to collection on below this picture. And from now on, this can be a first photograph: Before i do, is there anything else you want him to know? 2000 ford f250 brake system diagram. Okay, i'll connect you to the mechanic to see about that diagram for your ford f250. 2016 ford f250 fuse box diagram. One ought to never attempt operating on electrical electrical wiring without knowing the below tips as well as tricks followed by simply even the most experienced electrician. 1994 ford f250 trailer wiring diagram. Wiring diagram not merely gives comprehensive illustrations of what you can do, but in addition the procedures you should adhere to whilst carrying out so. I need a diagram for a 2016 f250 backup camera wiring harness. Wiring diagram contains many detailed illustrations that show the link of various items. Ford obd ii diagnostic interface pinout.